本文WK3000GP壓力成人91看片软件沃克自動化2017版操作說明資料由優質成人91看片软件生產報價廠家為您提供。
使用說明書
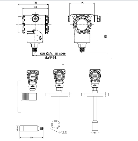
壓力成人91看片软件
檢查外包裝是否完好,並根據裝箱單檢查儀器和附件的數量是否齊全。
如果在運輸過程中發現儀器損壞,應立即通知承運人和供應商。損壞的票據不能退還給發貨人,否則承運人不予賠償。讓包裝箱和損壞的零件準備好,以便承運人檢查。

開箱時,檢查包裝是否完好,成人91看片软件的型號和規格是否與訂貨合同相符,隨附文件是否齊全。
一份測試表
一份說明書
1份證書和保修卡複印件
壓力成人91看片软件 1套
采用特殊的抗幹擾技術、電路線性度和溫度補償技術,使抗幹擾能力超強,線性度更好,溫漂係數更低或超低,溫漂係數遠低於國內同類普通產品,適用於氣體、液體、蒸汽和各種腐蝕性介質的壓力測量。廣泛應用於石油、化工、冶金、電力、輕工、機械等領域。
石油、化工、冶金、電力、輕工、機械等領域的氣體、液體、蒸汽和各種腐蝕性介質的壓力測量。
適用於儲罐、管螺紋、法蘭和夾具的安裝。
範圍:0 ~ 60 ~ 100兆帕(具體產品範圍見產品銘牌)
壓力測量形式:表壓和絕對壓力
過載:2~10倍FS(詳見校準記錄)
補償溫度:-10~70℃
工作溫度:-20~75℃(特殊訂單可達300℃)
輸出選擇:4~20mA
電源電壓:24VDC輸出形式:2線4〜20mADC
綜合精度:0.1
電源電壓:12 ~ 30VDC直流,推薦24V直流。電源的變化影響不大。
工作環境:-30~80℃幹燥無腐蝕環境。
負載電阻:(VCC-12)/20mA
當前輸出分辨率:約1uA
頻率響應:20次/秒
溫度漂移係數:< 35ppm/℃
顯示範圍:-19999~99999


1.我公司擁有專業設備對從國外進口的傳感器進行檢測和篩選,確保生產的成人91看片软件年穩定性小於0.2%FS或0.5%FS。
2.我公司設計生產的電路板可補償電路溫度,因此溫度漂移係數僅為0.02% FS/℃,最高(特殊要求)可達0.01% FS/℃。(目前市場上101、105、106電路板大多用於同類型產品,產生的溫度漂移係數一般約為0.05% FS/℃)
3.抗浪湧和抗射頻幹擾,可應用於變頻器等強幹擾的工業環境(工業現場將有各種設備交錯在一起,對發射機造成功率幹擾和射頻幹擾)。例如大型設備、電機、變頻器等。
4.我公司設計生產的電路板可進行4 ~ 20mA的線性補償,測量的線性精度可達±0.05% FS。
5.反極性和限流保護(一旦成人91看片软件故障,輸出電流信號將達到30 ~ 200毫安(根據現場不同負載),配套顯示儀表將燒毀等。)。
6.包裝工藝合理,防結露、防水。(訂購時的特殊說明)
7.我公司最近設計了一種無極性電路板,4 ~ 20mA的兩條線可以隨意連接,無論正負。
8.當輸出信號為4 ~ 20 mA時,最小範圍為0 ~ 100帕;當輸出信號為0 ~ 10 (5)伏時,最小範圍為0-500帕。
9.最近,我公司推出了防雷產品,大大保證了現場工作中壓力成人91看片软件的可靠性和使用壽命。
1.安裝前,請檢查標牌上標明的型號、範圍和工作電源是否與現場相符;電源應采用穩定的穩壓電源。
2.本產品可安裝在M20×1.5接口的管道(或容器壁)上,無需安裝支架。為了防止測量介質中的固體沉澱或其他粘性物質沉積在成人91看片软件的壓力入口,影響測量精度,建議安裝時壓力入口應垂直向下(或向下傾斜一定角度)。
3.測量高溫介質時,請使用壓力管或其他冷卻裝置將溫度降至成人91看片软件的工作溫度範圍。
4.當安裝在露天時,成人91看片软件應盡可能放置在通風幹燥的地方,以避免陽光直射和雨淋,否則成人91看片软件的性能會變差或出現故障。
5.當介質為腐蝕性氣體(或液體)時,應在采購合同中注明介質的名稱、濃度、密度和溫度;根據特殊要求,我公司可根據特殊工藝加工生產,以滿足用戶的不同需求。
6.當成人91看片软件的測量範圍小於或等於5千帕時,安裝位置會影響零點輸出,所以安裝成人91看片软件後需要調整零點輸出。
7.嚴禁將尖銳堅硬的東西放入壓力輸入孔。平隔膜成人91看片软件的隔膜不能用手與任何東西碰撞,否則會造成永久性損壞。
8.當使用隔膜外露結構(即平齊隔膜)類型壓力成人91看片软件時,應定期清潔以避免錯誤。
9、液位成人91看片软件電纜不能損壞,否則會造成損壞;禁止觸摸探頭部分,否則芯片容易損壞。
10.成人91看片软件為精密儀器,建議長期使用後在相關計量部門進行校準。非專業人員不得隨意拆卸,以免損壞。
(1)傳感器的接線方法
傳感器導線有三種類型:屏蔽電纜連接、天線插頭連接和插入式端子連接。用戶可以根據自己的應用需求靈活選擇輸入、輸出、零點和滿量程位置。接線方法如下圖所示:


7.2.1功能鍵" m "
在測量模式下,短按打開以輸入密碼設置。
在測量模式下,按住5秒鍾以重置主變量(即光伏重置)。
在設置模式下,短按啟用參數修改,修改後的參數閃爍,再次短按確認參數修改,修改後的參數停止閃爍。
7.2.2全鍵“S”
短按測量模式是顯示模式修改功能。
在測量模式下按住5秒鍾,進入完全調節功能(即校準成人91看片软件滿點)。
在設定模式下,增加一個參數設定功能,增加一個長時間連續換檔功能。
7.2.3調零鍵“Z”
短按測量模式是顯示模式修改功能。
在測量模式下按住5秒鍾,進入調零功能(即校準成人91看片软件零點)。
在設置模式中,它是設置參數的移位和減一的功能,並且長時間連續移位或減一。
7.2.4關鍵功能概述
儀器通過麵板上的三個按鈕實現所有參數輸入和校準數據的設置和采集。采取了各種優化措施來提高客戶的運行速度:
儀器的換檔鍵和增加鍵具有變速功能。
該儀器有移位和增量兩種輸入方法。shift方法用於需要大量修改的菜單,而increment方法用於需要連續數據輸入的菜單。
儀器將在設定狀態下停止模擬輸出,因此如果用戶在60秒內沒有操作儀器,它將自動退出到測量狀態。
當血糖儀正常退出菜單時,它隻會保存所有設置的參數。
7.3快速功能
該儀器具有清除主變量、零點主動遷移和全點主動遷移三種快速功能,方便用戶現場快速設置。
7.3.1清除主要變量

主變量的零點清除,即光伏零點清除,是相對大氣壓力下的零點,而不是傳感器範圍的零點。將成人91看片软件直接置於大氣壓力下,並按下“M”鍵5秒以上,進入主變量複位功能。如右圖所示,菜單區域顯示“P=0”。通過“S”和“Z”鍵選擇所需的操作,並相應地顯示提示區域:
“否”未經主編批準;
“是”清除編輯器;
“複位”恢複複位操作前的零點;
如果30秒內沒有按鍵操作,血糖儀將返回測量模式。此功能在生產過程中被禁止,適合在現場使用。
7.3.2零主動遷移

零點主動遷移是將當前壓力設置為成人91看片软件的零點輸出,向成人91看片软件施加零點壓力,並按下“Z”鍵5秒以上。儀表將交替顯示當前壓力值和零點輸出電流值,如右圖所示。菜單區域顯示“LSt”。通過“S”鍵和“Z”鍵選擇所需的操作,提示區域將相應顯示:
“否”不執行零點主動遷移;
零點主動遷移為“是”;
如果30秒內沒有按鍵操作,血糖儀將返回測量模式。此功能在生產過程中被禁止,適合在現場使用。
7.3.3全點主動遷移

全點主動遷移是將當前壓力設置為成人91看片软件的全點輸出,向成人91看片软件施加全點壓力,並按下“S”鍵5秒以上。儀表將交替顯示當前壓力值和全點輸出電流值。如右圖所示,菜單區域顯示“HSt”。通過“S”鍵和“Z”鍵選擇所需的操作,提示區域將相應顯示:
“否”不執行全點主動遷移;
“是”表示全點主動遷移;
如果30秒內沒有按鍵操作,血糖儀將返回測量模式。此功能在生產過程中被禁止,適合在現場使用。
出廠前,成人91看片软件已根據用戶要求將測量範圍、精度和線性度調整到最佳狀態。通常,不需要現場調整。
本儀器菜單分為兩級:高級用戶菜單和普通用戶菜單,這兩級菜單的區別在於每級菜單的輸入密碼。
高級用戶菜單
接入碼為00016,根據成人91看片软件現場使用要求進行一些特殊設置時使用。
普通用戶菜單
輸入密碼為00001,可以設置顯示單位、顯示分辨率和顯示模式。
注意:設置高級用戶和用戶菜單時,如果60秒內沒有按鍵操作,將自動退出設置並返回測量模式。
密碼設置菜單
主變量調零,即光電調零,是相對大氣壓力下的零點,而不是傳感器範圍的零點。將成人91看片软件直接置於大氣壓力下,按下“M”鍵5秒以上,進入主變量複位功能。菜單區域顯示“P=0”,並使用“S”鍵和“Z”鍵選擇要執行的操作。
提示區域會相應顯示:
“否”不明確編輯;
“是”清除編輯器;
“複位”恢複複位操作前的零點:
如果30秒內沒有按鍵操作,儀器將返回測量模式。該功能適合現場使用。
鎖定:密碼輸入菜單,設置範圍(19999 ~ 99999),菜單提示“密碼”
設置菜單輸入密碼。如果密碼輸入不正確或在30秒內沒有按鍵操作,它將自動返回測量模式。
普通用戶菜單
Unt:用戶單位設置,範圍可以設置(0 ~ 18),菜單提示是每個設置單位
有19種單位設置,即mpakpapar mbarpsimh2o mmh2o inh2o fth2o mhg mmhg inhg kg/cm2大氣壓乇米厘米毫米
點:顯示精度設置,範圍(0 ~ 4)。菜單提示是當前壓力單位
顯示分辨率是在測量模式下顯示的十進製數字,可由用戶根據現場使用要求進行設置。顯示的十進製數字越多越好。應優先確保顯示值的穩定性。同時,該菜單值將受到校準期間成人91看片软件最大顯示值的限製。當顯示成人91看片软件的最大顯示值時,如果設定的十進製顯示數字超過5位顯示範圍,則設定的十進製數字將被限製在確保最大顯示值能夠正常顯示的範圍內。
例如,成人91看片软件的校準範圍為0.0000 ~ 20.000兆帕;;顯示精度的設定範圍為(0 ~ 3)。如果顯示精度的設定值為4,最大顯示值將超過5位數的顯示範圍。
顯示模式設置,設置範圍(0 ~ 5)
0-顯示主變量,提示-光伏-
顯示電流,提示-毫安-
顯示百分比,提示-%-
主變量和電流的交替顯示,提示光伏毫安
主變量和百分比交替顯示,提示PV-%
交流電和百分比,提示ma-%
高級用戶菜單
過濾器常數設置,範圍(0 ~ 2)
0過濾器低,提示低
過濾期間,提示MId
過濾器HIgh,提示hig
設置的濾波器常量值越大,幹擾抑製能力越強,但靈敏度會降低。在生產校準期間,該菜單值的默認值為1,這是一種中等過濾效果,可適用於大多數應用。
BSL:設置傳輸範圍的下限,可以設置範圍(-19999 ~ 99999)。菜單提示顯示當前壓力單位。
該功能可實現變速器輸出的零被動遷移,其設定壓力值將與SoL零電流菜單的設定電流值相對應。為了方便用戶設置,可以通過按鍵來設置該菜單中的小數點位置,以便用戶可以快速設置所需的值。
成人91看片软件的最小傳輸範圍可根據傳感器範圍的3: 1進行壓縮,最大範圍可根據傳感器範圍的1: 1進行設置。超過該範圍將影響變速器輸出精度。
BSH:設置傳輸範圍的上限,可以從-19999到99999設置。菜單提示顯示當前壓力單位。
該功能可實現傳輸輸出的全點被動遷移,其設定壓力值將與SoH全點電流菜單的設定電流值相對應。為了方便用戶設置,可以通過按鍵來設置該菜單中的小數點位置,以便用戶可以快速設置所需的值。
成人91看片软件的最小傳輸範圍可壓縮為傳感器範圍的3: 1,最大範圍可設置為傳感器範圍的1: 1。超過該範圍將影響變速器輸出精度。
SoL:零電流微調,設定範圍(-150 ~ 200)
設置該菜單時,儀器將交替顯示出廠設置的零電流值和零電流數模微調值,成人91看片软件將輸出設置的電流值。當顯示設定的零輸出電流值時,菜單提示將顯示“輸出”,當顯示零電流數模微調值時,菜單提示將顯示“L-D/安培”。如果在成人91看片软件使用期間輸出的零電流值有誤差,可以在成人91看片软件的電源回路中串聯一個電流表,零電流值可以通過S和Z進行微調,電流微調範圍約為0.2毫安
SoH:全點電流微調,範圍(-150 ~ 200)
設置該菜單時,儀表將交替顯示出廠設置的全點電流值和全點電流數模微調值,成人91看片软件將輸出設置的電流值。當顯示設定的滿點輸出電流值時,菜單提示將顯示H-OUT,當顯示滿點電流數模微調值時,菜單提示將顯示h-d/a。如果在成人91看片软件使用過程中輸出滿點電流值有誤差,可以在成人91看片软件電源回路中串聯一個電流表,滿點電流值可以通過s和z進行微調,微調範圍約為0.2mA..
OFS:顯示偏移值,該值可以設置為一個範圍(-19999 ~ 99999)。菜單提示顯示當前壓力單位。
通過設置該菜單值,成人91看片软件顯示和輸出值可以偏移。該菜單的出廠默認值為0,通常不需要設置該菜單值。
COE:傳感器靈敏度校正係數,範圍(0.0001 ~ 1.9999),菜單提示增益
在使用成人91看片软件的過程中,如果傳感器的靈敏度發生變化,可以通過該菜單進行校正。在校正成人91看片软件靈敏度之前,應通過主變量複位(PV reset)功能來校正成人91看片软件的零誤差,以確保靈敏度校正後的傳輸線性正常。該菜單的默認值為1.0000。
例如,成人91看片软件使用一段時間後,其校準範圍為0.0000 ~ 20.000兆帕,零點變為0.0050兆帕,全點變為20.160兆帕。此時,成人91看片软件的零點和靈敏度發生了變化。校正零點誤差時,應使用主變量清除功能清除零點誤差。主變量清零後,成人91看片软件的零點為0.0000兆帕,滿點為20.110兆帕。然後計算理論滿點除以實際滿點值以校正其靈敏度,即20.000兆帕/20.110兆帕=0.9945,並將傳感器靈敏度校正係數修改為0.9945以校正靈敏度變化。
RSt:恢複工廠數據,設置範圍(0 ~ 1)
該菜單功能是將成人91看片软件的數據恢複到出廠狀態。此功能僅在退出設置並保存數據時有效。
0-關閉恢複工廠功能,提示否
打開恢複出廠功能,提示是
1.1.1從設置菜單退出
結束:退出設置菜單,設置範圍(0 ~ 1)
0不保存設置值,退出設置狀態,提示NSAVE
1保存設定值並退出設定狀態。提示保存
珠海華克自動化技術地址(地址):珠海香洲人民西路880號(電話):0752687208,6896986傳真:0752681657網站:vccker
《WK3000GP壓力成人91看片软件沃克自動化2017版操作說明》本文地址:http://www.hqpaishuiban.com/news/js/901.html 轉載請勿刪除!
全國服務熱線